轴承专区
Bearings Center
722522 B轴承-SKF 722522 B轴承尺寸、图纸、价格
SKF 722522 B轴承
| 产品名称: | 722522 B轴承 | 品牌: | SKF |
|---|---|---|---|
| 类型: | SKF轴承 > 轴承座 > 7225(00)系列法兰轴承座 | ||
| 描述: | 722522 B轴承是【SKF轴承 > 轴承座 > 7225(00)系列法兰轴承座】的型号,主要用在变速器、差速器小齿轮轴、桥式起重机、小齿轮轴、印刷机械、机床主轴、立式电动机、破碎、混凝土机械、吹氧装置等各大领域 | ||
电话/微信:138-8949-5179
SKF 722522 B轴承详细信息
722522 B轴承是【SKF轴承 > 轴承座 > 7225(00)系列法兰轴承座】的型号,主要用在变速器、差速器小齿轮轴、桥式起重机、小齿轮轴、印刷机械、机床主轴、立式电动机、破碎、混凝土机械、吹氧装置等各大领域。
SKF 722522 B轴承详细参数
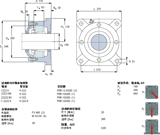
| 法兰式轴承座, 7225(00) 用于紧定套安装轴承 | |||||||||||
| 轴 | 适宜的轴承 | 轴承座 | |||||||||
| (基本型号) | 主要数据尺寸 | 体积 | 型号 | ||||||||
| 自调心球 | 球面滚子 | CARB | 轴承座与 | ||||||||
| da | 轴承 | 轴承 | 轴承 | A | L | H | H1 | 毛毡密封件 | |||
| mm | mm | kg | - | ||||||||
| 100 | 1222 K | 2222 K | 22222 K | C 2222 K | 137 | 270 | 270 | 135 | 21,5 | 722522 B | |
SKF 722522 B轴承尺寸图纸

