轴承专区
Bearings Center
7222 BEP轴承-SKF 7222 BEP轴承尺寸、图纸、价格
SKF 7222 BEP轴承
| 产品名称: | 7222 BEP轴承 | 品牌: | SKF |
|---|---|---|---|
| 类型: | SKF轴承 > 滚动轴承 > 角接触球轴承 | ||
| 描述: | 7222 BEP轴承是【SKF轴承 > 滚动轴承 > 角接触球轴承】的型号,主要用在内燃机、燃料喷射泵、压缩机、齿轮减速装置、振动筛、石油钻机、挤压机、玩具、解体机、码垛机器人等各大领域 | ||
电话/微信:138-8949-5179
SKF 7222 BEP轴承详细信息
7222 BEP轴承是【SKF轴承 > 滚动轴承 > 角接触球轴承】的型号,主要用在内燃机、燃料喷射泵、压缩机、齿轮减速装置、振动筛、石油钻机、挤压机、玩具、解体机、码垛机器人等各大领域。
SKF 7222 BEP轴承详细参数
| 角接触球轴承, 单列 | |||||||||||
| 主要数据尺寸 | 尺寸 [英寸] | 疲劳负荷限值 | 额定速度 | 体积 | 型号 | ||||||
| 动态 | 静态 | 参照速度 | 限制速度 | ||||||||
| d | D | B | C | C0 | Pu | ||||||
| mm | kN | kN | r/min | kg | - | ||||||
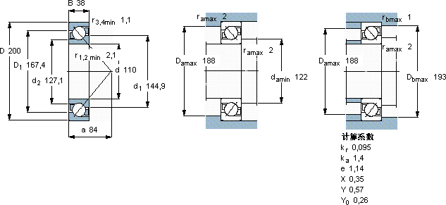
| 110 | 200 | 38 | 163 | 153 | 5,2 | 3600 | 3600 | 4,60 | 7222 BEP | ||
SKF 7222 BEP轴承尺寸图纸

