李工:138-8949-5179 刘工:135-0428-8802
型号查询
轴承型号   常见搜索: 3214轴承 71913轴承 6305轴承 6906轴承 6002轴承 688a轴承
型号查询 X

轴承专区

Bearings Center

7218 BECBM轴承-SKF 7218 BECBM轴承尺寸、图纸、价格

SKF 7218 BECBM轴承

产品名称:7218 BECBM轴承 品牌:SKF
类型:SKF轴承 > 滚动轴承 > 角接触球轴承
描述:7218 BECBM轴承是【SKF轴承 > 滚动轴承 > 角接触球轴承】的型号,主要用在仪表、印刷机械、汽车发动机、轧钢机辊颈、破碎机、制铁制钢机械、碾煤机、塑料、起重机械、钢包回转台等各大领域

 电话/微信:138-8949-5179

SKF 7218 BECBM轴承详细信息

7218 BECBM轴承是【SKF轴承 > 滚动轴承 > 角接触球轴承】的型号,主要用在仪表、印刷机械、汽车发动机、轧钢机辊颈、破碎机、制铁制钢机械、碾煤机、塑料、起重机械、钢包回转台等各大领域。

SKF 7218 BECBM轴承详细参数

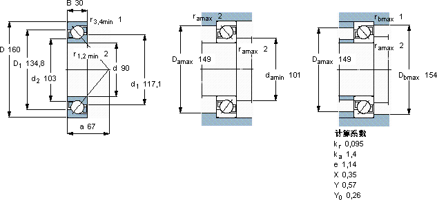
角接触球轴承, 单列
主要数据尺寸尺寸 [英寸]疲劳负荷限值额定速度体积型号
动态静态参照速度限制速度
dDBCC0Pu
mmkNkNr/minkg-
901603010896,53,65450048002,417218 BECBM

SKF 7218 BECBM轴承尺寸图纸

李工:138-8949-5179

刘工:135-0428-8802

地址:辽宁省大连经济技术开发区现代城3栋-13-13号

在线客服系统