轴承专区
Bearings Center
7206 BEGBP *轴承-SKF 7206 BEGBP *轴承尺寸、图纸、价格
SKF 7206 BEGBP *轴承
| 产品名称: | 7206 BEGBP *轴承 | 品牌: | SKF |
|---|---|---|---|
| 类型: | SKF轴承 > 滚动轴承 > 角接触球轴承 | ||
| 描述: | 7206 BEGBP *轴承是【SKF轴承 > 滚动轴承 > 角接触球轴承】的型号,主要用在电气装置部件、小型汽车前轮、挖土机履带轮、差速器、铁路车辆车轴、汽车转向销、船舶用螺旋桨轴、音像设备、土方机械、伽玛等各大领域 | ||
电话/微信:138-8949-5179
SKF 7206 BEGBP *轴承详细信息
7206 BEGBP *轴承是【SKF轴承 > 滚动轴承 > 角接触球轴承】的型号,主要用在电气装置部件、小型汽车前轮、挖土机履带轮、差速器、铁路车辆车轴、汽车转向销、船舶用螺旋桨轴、音像设备、土方机械、伽玛等各大领域。
SKF 7206 BEGBP *轴承详细参数
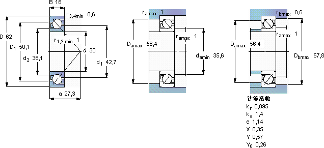
| 角接触球轴承, 单列 | |||||||||||
| 主要数据尺寸 | 尺寸 [英寸] | 疲劳负荷限值 | 额定速度 | 体积 | 型号 | ||||||
| 动态 | 静态 | 参照速度 | 限制速度 | ||||||||
| d | D | B | C | C0 | Pu | * - SKF Explorer 轴承 | |||||
| mm | kN | kN | r/min | kg | - | ||||||
| 30 | 62 | 16 | 24 | 15,6 | 0,655 | 14000 | 14000 | 0,19 | 7206 BEGBP * | ||
SKF 7206 BEGBP *轴承尺寸图纸

