轴承专区
Bearings Center
63000-2RS1轴承-SKF 63000-2RS1轴承尺寸、图纸、价格
SKF 63000-2RS1轴承
| 产品名称: | 63000-2RS1轴承 | 品牌: | SKF |
|---|---|---|---|
| 类型: | SKF轴承 > 滚动轴承 > 深沟球轴承 | ||
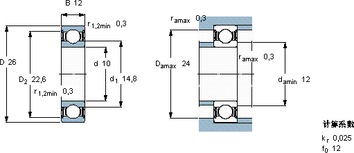
| 描述: | 63000-2RS1轴承是【SKF轴承 > 滚动轴承 > 深沟球轴承】的型号,主要用在内燃机、小型汽车前轮、燃汽轮机、差速器、木工机械、耕耘机、挤压机、纺织、平地机、码垛机器人等各大领域 | ||
电话/微信:138-8949-5179
SKF 63000-2RS1轴承详细信息
63000-2RS1轴承是【SKF轴承 > 滚动轴承 > 深沟球轴承】的型号,主要用在内燃机、小型汽车前轮、燃汽轮机、差速器、木工机械、耕耘机、挤压机、纺织、平地机、码垛机器人等各大领域。
SKF 63000-2RS1轴承详细参数
| 深沟球轴承, 单列, 两面密封件 | |||||||||||
| 主要数据尺寸 | 基本负荷额定值 | 疲劳负荷限值 | 额定速度 | 体积 | 型号 | ||||||
| 动态 | 静态 | 参照速度 | 限制速度 | ||||||||
| d | D | B | C | C0 | Pu | ||||||
| mm | kN | kN | r/min | kg | - | ||||||
| 10 | 26 | 12 | 4,62 | 1,96 | 0,083 | - | 19000 | 0,025 | 63000-2RS1 | ||
SKF 63000-2RS1轴承尺寸图纸

