轴承专区
Bearings Center
719/710 ACMB/DBVQ074轴承-SKF 719/710 ACMB/DBVQ074轴承尺寸、图纸、价格
SKF 719/710 ACMB/DBVQ074轴承
| 产品名称: | 719/710 ACMB/DBVQ074轴承 | 品牌: | SKF |
|---|---|---|---|
| 类型: | SKF轴承 > 滚动轴承 > 角接触球轴承 | ||
| 描述: | 719/710 ACMB/DBVQ074轴承是【SKF轴承 > 滚动轴承 > 角接触球轴承】的型号,主要用在家用电器、机床主轴、桥式起重机、汽车、铁路车辆车轴、汽车转向销、塔吊、破碎、掘进机、塔式车库等各大领域 | ||
电话/微信:138-8949-5179
SKF 719/710 ACMB/DBVQ074轴承详细信息
719/710 ACMB/DBVQ074轴承是【SKF轴承 > 滚动轴承 > 角接触球轴承】的型号,主要用在家用电器、机床主轴、桥式起重机、汽车、铁路车辆车轴、汽车转向销、塔吊、破碎、掘进机、塔式车库等各大领域。
SKF 719/710 ACMB/DBVQ074轴承详细参数
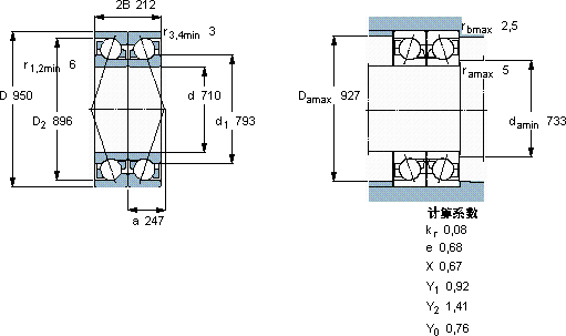
| 角接触球轴承, 单列,用于配对安装, 背对背配对 | |||||||||||
| 主要数据尺寸 | 基本负荷额定值 | 疲劳负荷限值 | 额定速度 | 体积 | 型号 | 轴承配对 | |||||
| 动态 | 静态 | 参照速度 | 限制速度 | ||||||||
| d | D | 2B | C | C0 | Pu | ||||||
| mm | kN | kN | r/min | kg | - | - | |||||
| 710 | 950 | 212 | 1400 | 4400 | 69,5 | 480 | 630 | 390 | 719/710 ACMB/DBVQ074 | DB | |
SKF 719/710 ACMB/DBVQ074轴承尺寸图纸

