轴承专区
Bearings Center
SILKB 10 F轴承-SKF SILKB 10 F轴承尺寸、图纸、价格
SKF SILKB 10 F轴承
| 产品名称: | SILKB 10 F轴承 | 品牌: | SKF |
|---|---|---|---|
| 类型: | SKF轴承 > 球面滑动轴承和杆端关节轴承 > 免维护的杆端关节轴承 | ||
| 描述: | SILKB 10 F轴承是【SKF轴承 > 球面滑动轴承和杆端关节轴承 > 免维护的杆端关节轴承】的型号,主要用在装卸搬运机械、差速器小齿轮轴、桥式起重机、小齿轮轴、减速装置、机床主轴、矿山、制鞋、混凝土机械、风力发电设备等各大领域 | ||
电话/微信:138-8949-5179
SKF SILKB 10 F轴承详细信息
SILKB 10 F轴承是【SKF轴承 > 球面滑动轴承和杆端关节轴承 > 免维护的杆端关节轴承】的型号,主要用在装卸搬运机械、差速器小齿轮轴、桥式起重机、小齿轮轴、减速装置、机床主轴、矿山、制鞋、混凝土机械、风力发电设备等各大领域。
SKF SILKB 10 F轴承详细参数
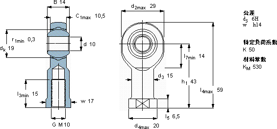
| 免维护杆端, 阴螺纹, 钢/PTFE复合材料 | |||||||||||
| 主要数据尺寸 | 角度倾的 | 基本负荷额定值 | 质量 | 型号 | |||||||
| 动态 | 静态 | 轴承座完全与密封件 | |||||||||
| d | d2 | B | d3 | C1 | h1 | ± | C | C0 | |||
| 6H | |||||||||||
| mm | 度数 | kN | kg | - | |||||||
| 10 | 29 | 14 | M 10 | 10,5 | 43 | 13 | 9,8 | 14,3 | 0,079 | SILKB 10 F | |
SKF SILKB 10 F轴承尺寸图纸

