轴承专区
Bearings Center
71876 ACGAMB轴承-SKF 71876 ACGAMB轴承尺寸、图纸、价格
SKF 71876 ACGAMB轴承
| 产品名称: | 71876 ACGAMB轴承 | 品牌: | SKF |
|---|---|---|---|
| 类型: | SKF轴承 > 滚动轴承 > 角接触球轴承 | ||
| 描述: | 71876 ACGAMB轴承是【SKF轴承 > 滚动轴承 > 角接触球轴承】的型号,主要用在家用电器、油泵、中型及大型电动机、机床主轴、轧钢机辊道子、起重机吊钩、塔吊、玩具、强夯机、塔式车库等各大领域 | ||
电话/微信:138-8949-5179
SKF 71876 ACGAMB轴承详细信息
71876 ACGAMB轴承是【SKF轴承 > 滚动轴承 > 角接触球轴承】的型号,主要用在家用电器、油泵、中型及大型电动机、机床主轴、轧钢机辊道子、起重机吊钩、塔吊、玩具、强夯机、塔式车库等各大领域。
SKF 71876 ACGAMB轴承详细参数
| 角接触球轴承, 单列 | |||||||||||
| 主要数据尺寸 | 尺寸 [英寸] | 疲劳负荷限值 | 额定速度 | 体积 | 型号 | ||||||
| 动态 | 静态 | 参照速度 | 限制速度 | ||||||||
| d | D | B | C | C0 | Pu | ||||||
| mm | kN | kN | r/min | kg | - | ||||||
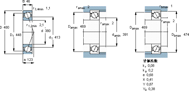
| 380 | 480 | 46 | 291 | 500 | 11 | 1300 | 1400 | 18,0 | 71876 ACGAMB | ||
SKF 71876 ACGAMB轴承尺寸图纸

