李工:138-8949-5179 刘工:135-0428-8802
型号查询
轴承型号   常见搜索: 3214轴承 2026轴承 6013轴承 22222轴承 23136轴承 617轴承
型号查询 X

轴承专区

Bearings Center

7088 BM轴承-SKF 7088 BM轴承尺寸、图纸、价格

SKF 7088 BM轴承

产品名称:7088 BM轴承 品牌:SKF
类型:SKF轴承 > 滚动轴承 > 角接触球轴承
描述:7088 BM轴承是【SKF轴承 > 滚动轴承 > 角接触球轴承】的型号,主要用在铁路车辆、机床主轴、变速器、汽车、铁路车辆车轴、汽车转向销、冶炼厂、钟表、掘进机、机械手等各大领域

 电话/微信:138-8949-5179

SKF 7088 BM轴承详细信息

7088 BM轴承是【SKF轴承 > 滚动轴承 > 角接触球轴承】的型号,主要用在铁路车辆、机床主轴、变速器、汽车、铁路车辆车轴、汽车转向销、冶炼厂、钟表、掘进机、机械手等各大领域。

SKF 7088 BM轴承详细参数

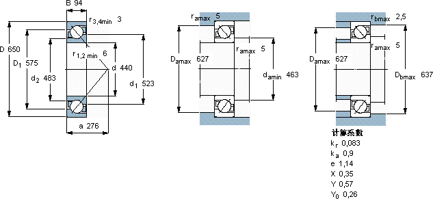
角接触球轴承, 单列
主要数据尺寸尺寸 [英寸]疲劳负荷限值额定速度体积型号
动态静态参照速度限制速度
dDBCC0Pu
mmkNkNr/minkg-
44065094572118021,69509501007088 BM

SKF 7088 BM轴承尺寸图纸

李工:138-8949-5179

刘工:135-0428-8802

地址:辽宁省大连经济技术开发区现代城3栋-13-13号

在线客服系统