李工:138-8949-5179 刘工:135-0428-8802
型号查询
轴承型号   常见搜索: 6906轴承 6014轴承 6007轴承 6900轴承 6006轴承 6021轴承
型号查询 X

轴承专区

Bearings Center

70876 AMB轴承-SKF 70876 AMB轴承尺寸、图纸、价格

SKF 70876 AMB轴承

产品名称:70876 AMB轴承 品牌:SKF
类型:SKF轴承 > 滚动轴承 > 角接触球轴承
描述:70876 AMB轴承是【SKF轴承 > 滚动轴承 > 角接触球轴承】的型号,主要用在通用电动机、差速器小齿轮轴、纺织机械传动轴、小齿轮轴、轧钢机齿轮箱座、机床等的变速装置、轧钢机轧制螺杆用减速机、薄膜拉伸、压路机、刮泥机等各大领域

 电话/微信:138-8949-5179

SKF 70876 AMB轴承详细信息

70876 AMB轴承是【SKF轴承 > 滚动轴承 > 角接触球轴承】的型号,主要用在通用电动机、差速器小齿轮轴、纺织机械传动轴、小齿轮轴、轧钢机齿轮箱座、机床等的变速装置、轧钢机轧制螺杆用减速机、薄膜拉伸、压路机、刮泥机等各大领域。

SKF 70876 AMB轴承详细参数

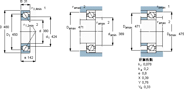
角接触球轴承, 单列
主要数据尺寸尺寸 [英寸]疲劳负荷限值额定速度体积型号
动态静态参照速度限制速度
dDBCC0Pu
mmkNkNr/minkg-
3804803119034581300140013,570876 AMB

SKF 70876 AMB轴承尺寸图纸

李工:138-8949-5179

刘工:135-0428-8802

地址:辽宁省大连经济技术开发区现代城3栋-13-13号

在线客服系统