轴承专区
Bearings Center
7072 AM轴承-SKF 7072 AM轴承尺寸、图纸、价格
SKF 7072 AM轴承
| 产品名称: | 7072 AM轴承 | 品牌: | SKF |
|---|---|---|---|
| 类型: | SKF轴承 > 滚动轴承 > 角接触球轴承 | ||
| 描述: | 7072 AM轴承是【SKF轴承 > 滚动轴承 > 角接触球轴承】的型号,主要用在后轮、燃汽轮机、桥式起重机、后轮、造纸机械、石油钻机、水力发电机、精细化工机械、解体机、焊接机器人等各大领域 | ||
电话/微信:138-8949-5179
SKF 7072 AM轴承详细信息
7072 AM轴承是【SKF轴承 > 滚动轴承 > 角接触球轴承】的型号,主要用在后轮、燃汽轮机、桥式起重机、后轮、造纸机械、石油钻机、水力发电机、精细化工机械、解体机、焊接机器人等各大领域。
SKF 7072 AM轴承详细参数
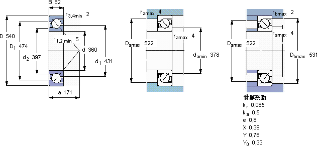
| 角接触球轴承, 单列 | |||||||||||
| 主要数据尺寸 | 尺寸 [英寸] | 疲劳负荷限值 | 额定速度 | 体积 | 型号 | ||||||
| 动态 | 静态 | 参照速度 | 限制速度 | ||||||||
| d | D | B | C | C0 | Pu | ||||||
| mm | kN | kN | r/min | kg | - | ||||||
| 360 | 540 | 82 | 520 | 950 | 19 | 1300 | 1300 | 62,5 | 7072 AM | ||
SKF 7072 AM轴承尺寸图纸

