李工:138-8949-5179 刘工:135-0428-8802
型号查询
轴承型号   常见搜索: 6012轴承 6024轴承 7014轴承 6008轴承 6018轴承 6007轴承
型号查询 X

轴承专区

Bearings Center

7030 BGM轴承-SKF 7030 BGM轴承尺寸、图纸、价格

SKF 7030 BGM轴承

产品名称:7030 BGM轴承 品牌:SKF
类型:SKF轴承 > 滚动轴承 > 角接触球轴承
描述:7030 BGM轴承是【SKF轴承 > 滚动轴承 > 角接触球轴承】的型号,主要用在家用电器、机床主轴、压缩机、汽车、铁路车辆车轴、耕耘机、塔吊、饮料设备、地基处理机械、塔式车库等各大领域

 电话/微信:138-8949-5179

SKF 7030 BGM轴承详细信息

7030 BGM轴承是【SKF轴承 > 滚动轴承 > 角接触球轴承】的型号,主要用在家用电器、机床主轴、压缩机、汽车、铁路车辆车轴、耕耘机、塔吊、饮料设备、地基处理机械、塔式车库等各大领域。

SKF 7030 BGM轴承详细参数

角接触球轴承, 单列
主要数据尺寸尺寸 [英寸]疲劳负荷限值额定速度体积型号
动态静态参照速度限制速度
dDBCC0Pu
mmkNkNr/minkg-
150225351331464,55300032004,707030 BGM

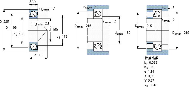
SKF 7030 BGM轴承尺寸图纸

李工:138-8949-5179

刘工:135-0428-8802

地址:辽宁省大连经济技术开发区现代城3栋-13-13号

在线客服系统