李工:138-8949-5179 刘工:135-0428-8802
型号查询
轴承型号   常见搜索: 6906轴承 23136轴承 6205轴承 6030轴承 6012轴承 6004轴承
型号查询 X

轴承专区

Bearings Center

635-Z *轴承-SKF 635-Z *轴承尺寸、图纸、价格

SKF 635-Z *轴承

产品名称:635-Z *轴承 品牌:SKF
类型:SKF轴承 > 滚动轴承 > 深沟球轴承
描述:635-Z *轴承是【SKF轴承 > 滚动轴承 > 深沟球轴承】的型号,主要用在农业机械、油泵、纺织机械传动轴、机床主轴、轧钢机辊道子、起重机吊钩、钢铁厂、陶瓷机械、强夯机、太阳能发电设备等各大领域

 电话/微信:138-8949-5179

SKF 635-Z *轴承详细信息

635-Z *轴承是【SKF轴承 > 滚动轴承 > 深沟球轴承】的型号,主要用在农业机械、油泵、纺织机械传动轴、机床主轴、轧钢机辊道子、起重机吊钩、钢铁厂、陶瓷机械、强夯机、太阳能发电设备等各大领域。

SKF 635-Z *轴承详细参数

深沟球轴承, 单列, 单面防尘罩
主要数据尺寸基本负荷额定值疲劳负荷限值额定速度体积型号
动态静态参照速度限制速度
dDBCC0Pu * - SKF Explorer 轴承
mmkNkNr/minkg-
51962,340,950,0480000500000,0090635-Z *

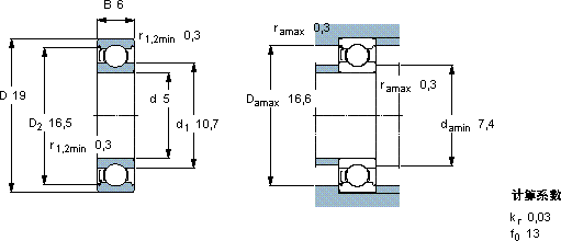
SKF 635-Z *轴承尺寸图纸

李工:138-8949-5179

刘工:135-0428-8802

地址:辽宁省大连经济技术开发区现代城3栋-13-13号

在线客服系统