轴承专区
Bearings Center
6316/C3VL0241轴承-SKF 6316/C3VL0241轴承尺寸、图纸、价格
SKF 6316/C3VL0241轴承
| 产品名称: | 6316/C3VL0241轴承 | 品牌: | SKF |
|---|---|---|---|
| 类型: | SKF轴承 > 滚动轴承 > 工程产品 | ||
| 描述: | 6316/C3VL0241轴承是【SKF轴承 > 滚动轴承 > 工程产品】的型号,主要用在仪表、各类变速器、挖土机履带轮、铁路车辆、减速装置、机床主轴、碾煤机、钟表、混凝土机械、坦克等各大领域 | ||
电话/微信:138-8949-5179
SKF 6316/C3VL0241轴承详细信息
6316/C3VL0241轴承是【SKF轴承 > 滚动轴承 > 工程产品】的型号,主要用在仪表、各类变速器、挖土机履带轮、铁路车辆、减速装置、机床主轴、碾煤机、钟表、混凝土机械、坦克等各大领域。
SKF 6316/C3VL0241轴承详细参数
| 深沟球轴承, 单列,INSOCOAT | ||||||||||
| 主要数据尺寸 | 基本负荷额定值 | 疲劳负荷限值 | 额定速度 | 体积 | 型号 | |||||
| 动态 | 静态 | 参照速度 | 限制速度 | |||||||
| d | D | B | C | C0 | Pu | |||||
| mm | kN | kN | r/min | kg | - | |||||
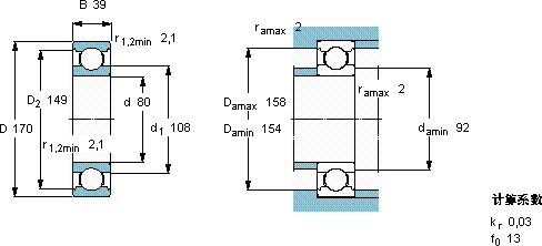
| 80 | 170 | 39 | 130 | 86,5 | 3,25 | 8500 | 5300 | 3,55 | 6316/C3VL0241 | |
SKF 6316/C3VL0241轴承尺寸图纸

