轴承专区
Bearings Center
6305 ETN9轴承-SKF 6305 ETN9轴承尺寸、图纸、价格
SKF 6305 ETN9轴承
| 产品名称: | 6305 ETN9轴承 | 品牌: | SKF |
|---|---|---|---|
| 类型: | SKF轴承 > 滚动轴承 > 深沟球轴承 | ||
| 描述: | 6305 ETN9轴承是【SKF轴承 > 滚动轴承 > 深沟球轴承】的型号,主要用在变速器、差速器小齿轮轴、纺织机械传动轴、小齿轮轴、轧钢机齿轮箱座、机床主轴、立式电动机、洗染、挖掘机、吹氧装置等各大领域 | ||
电话/微信:138-8949-5179
SKF 6305 ETN9轴承详细信息
6305 ETN9轴承是【SKF轴承 > 滚动轴承 > 深沟球轴承】的型号,主要用在变速器、差速器小齿轮轴、纺织机械传动轴、小齿轮轴、轧钢机齿轮箱座、机床主轴、立式电动机、洗染、挖掘机、吹氧装置等各大领域。
SKF 6305 ETN9轴承详细参数
| 深沟球轴承, 单列, 无密封件 | |||||||||||
| 主要数据尺寸 | 基本负荷额定值 | 疲劳负荷限值 | 额定速度 | 体积 | 型号 | ||||||
| 动态 | 静态 | 参照速度 | 限制速度 | ||||||||
| d | D | B | C | C0 | Pu | ||||||
| mm | kN | kN | r/min | kg | - | ||||||
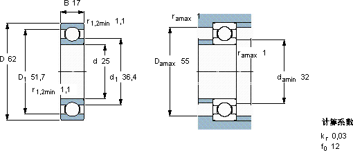
| 25 | 62 | 17 | 26 | 13,4 | 0,57 | 24000 | 16000 | 0,21 | 6305 ETN9 | ||
SKF 6305 ETN9轴承尺寸图纸

