轴承专区
Bearings Center
6301-Z轴承-SKF 6301-Z轴承尺寸、图纸、价格
SKF 6301-Z轴承
| 产品名称: | 6301-Z轴承 | 品牌: | SKF |
|---|---|---|---|
| 类型: | SKF轴承 > 滚动轴承 > 深沟球轴承 | ||
| 描述: | 6301-Z轴承是【SKF轴承 > 滚动轴承 > 深沟球轴承】的型号,主要用在后轮、油泵、中型及大型电动机、机床主轴、木工机械、起重机吊钩、水力发电机、音像设备、强夯机、港口起重机等各大领域 | ||
电话/微信:138-8949-5179
SKF 6301-Z轴承详细信息
6301-Z轴承是【SKF轴承 > 滚动轴承 > 深沟球轴承】的型号,主要用在后轮、油泵、中型及大型电动机、机床主轴、木工机械、起重机吊钩、水力发电机、音像设备、强夯机、港口起重机等各大领域。
SKF 6301-Z轴承详细参数
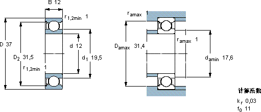
| 深沟球轴承, 单列, 单面防尘罩 | |||||||||||
| 主要数据尺寸 | 基本负荷额定值 | 疲劳负荷限值 | 额定速度 | 体积 | 型号 | ||||||
| 动态 | 静态 | 参照速度 | 限制速度 | ||||||||
| d | D | B | C | C0 | Pu | ||||||
| mm | kN | kN | r/min | kg | - | ||||||
| 12 | 37 | 12 | 10,1 | 4,15 | 0,176 | 45000 | 28000 | 0,060 | 6301-Z | ||
SKF 6301-Z轴承尺寸图纸

