轴承专区
Bearings Center
WEEYB 003-2ZR轴承-SKF WEEYB 003-2ZR轴承尺寸、图纸、价格
SKF WEEYB 003-2ZR轴承
| 产品名称: | WEEYB 003-2ZR轴承 | 品牌: | SKF |
|---|---|---|---|
| 类型: | SKF轴承 > 滚动轴承 > 深沟球轴承 | ||
| 描述: | WEEYB 003-2ZR轴承是【SKF轴承 > 滚动轴承 > 深沟球轴承】的型号,主要用在电气装置部件、机床主轴、燃汽轮机、汽车、振动筛、汽车转向销、船舶用螺旋桨轴、薄膜拉伸、掘进机、摩天轮等各大领域 | ||
电话/微信:138-8949-5179
SKF WEEYB 003-2ZR轴承详细信息
WEEYB 003-2ZR轴承是【SKF轴承 > 滚动轴承 > 深沟球轴承】的型号,主要用在电气装置部件、机床主轴、燃汽轮机、汽车、振动筛、汽车转向销、船舶用螺旋桨轴、薄膜拉伸、掘进机、摩天轮等各大领域。
SKF WEEYB 003-2ZR轴承详细参数
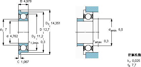
| 深沟球轴承, 单列,不锈钢,带法兰, 两面防尘罩 | ||||||||||||
| 主要数据尺寸 | 基本负荷额定值 | 疲劳负荷限值 | 额定速度 | 体积 | 型号 | |||||||
| 动态 | 静态 | 参照速度 | 限制速度 | |||||||||
| d | D | D3 | B | C | C | C0 | Pu | |||||
| mm | kN | kN | r/min | kg | - | |||||||
| 4,762 | 12,7 | 14,351 | 4,978 | 1,067 | 0,793 | 0,28 | 0,012 | 110000 | 53000 | 0,0035 | WEEYB 003-2ZR | |
SKF WEEYB 003-2ZR轴承尺寸图纸

