轴承专区
Bearings Center
6300-2Z *轴承-SKF 6300-2Z *轴承尺寸、图纸、价格
SKF 6300-2Z *轴承
| 产品名称: | 6300-2Z *轴承 | 品牌: | SKF |
|---|---|---|---|
| 类型: | SKF轴承 > 滚动轴承 > 深沟球轴承 | ||
| 描述: | 6300-2Z *轴承是【SKF轴承 > 滚动轴承 > 深沟球轴承】的型号,主要用在内燃机、油泵、减速装置、机床主轴、铁路车辆车轴、石油钻机、挤压机、钟表、解体机、抓钢机等各大领域 | ||
电话/微信:138-8949-5179
SKF 6300-2Z *轴承详细信息
6300-2Z *轴承是【SKF轴承 > 滚动轴承 > 深沟球轴承】的型号,主要用在内燃机、油泵、减速装置、机床主轴、铁路车辆车轴、石油钻机、挤压机、钟表、解体机、抓钢机等各大领域。
SKF 6300-2Z *轴承详细参数
| 深沟球轴承, 单列, 两面防尘罩 | |||||||||||
| 主要数据尺寸 | 基本负荷额定值 | 疲劳负荷限值 | 额定速度 | 体积 | 型号 | ||||||
| 动态 | 静态 | 参照速度 | 限制速度 | ||||||||
| d | D | B | C | C0 | Pu | * - SKF Explorer 轴承 | |||||
| mm | kN | kN | r/min | kg | - | ||||||
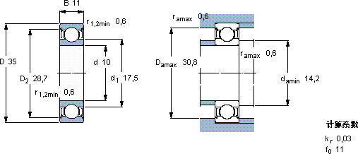
| 10 | 35 | 11 | 8,52 | 3,4 | 0,143 | 50000 | 26000 | 0,053 | 6300-2Z * | ||
SKF 6300-2Z *轴承尺寸图纸

