李工:138-8949-5179 刘工:135-0428-8802
型号查询
轴承型号   常见搜索: 71913轴承 6026轴承 6016轴承 688a轴承 6004轴承 6010轴承
型号查询 X

轴承专区

Bearings Center

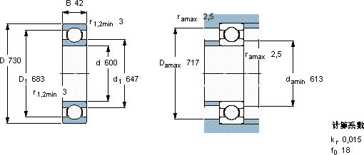
608/600 MA轴承-SKF 608/600 MA轴承尺寸、图纸、价格

SKF 608/600 MA轴承

产品名称:608/600 MA轴承 品牌:SKF
类型:SKF轴承 > 滚动轴承 > 深沟球轴承
描述:608/600 MA轴承是【SKF轴承 > 滚动轴承 > 深沟球轴承】的型号,主要用在装卸搬运机械、罗茨鼓风机、中型及大型电动机、建筑机械、减速装置、石油钻机转环、矿山、塑料、轻工机械、伽玛等各大领域

 电话/微信:138-8949-5179

SKF 608/600 MA轴承详细信息

608/600 MA轴承是【SKF轴承 > 滚动轴承 > 深沟球轴承】的型号,主要用在装卸搬运机械、罗茨鼓风机、中型及大型电动机、建筑机械、减速装置、石油钻机转环、矿山、塑料、轻工机械、伽玛等各大领域。

SKF 608/600 MA轴承详细参数

深沟球轴承, 单列, 无密封件
主要数据尺寸基本负荷额定值疲劳负荷限值额定速度体积型号
动态静态参照速度限制速度
dDBCC0Pu
mmkNkNr/minkg-
6007304226555091500120040,0608/600 MA

SKF 608/600 MA轴承尺寸图纸

李工:138-8949-5179

刘工:135-0428-8802

地址:辽宁省大连经济技术开发区现代城3栋-13-13号

在线客服系统