轴承专区
Bearings Center
624-Z轴承-SKF 624-Z轴承尺寸、图纸、价格
SKF 624-Z轴承
| 产品名称: | 624-Z轴承 | 品牌: | SKF |
|---|---|---|---|
| 类型: | SKF轴承 > 滚动轴承 > 深沟球轴承 | ||
| 描述: | 624-Z轴承是【SKF轴承 > 滚动轴承 > 深沟球轴承】的型号,主要用在电气装置部件、空气压缩机、减速装置、大型农业机械、铁路车辆车轴、汽车转向销、船舶用螺旋桨轴、烟草机械、土方机械、风力发电设备等各大领域 | ||
电话/微信:138-8949-5179
SKF 624-Z轴承详细信息
624-Z轴承是【SKF轴承 > 滚动轴承 > 深沟球轴承】的型号,主要用在电气装置部件、空气压缩机、减速装置、大型农业机械、铁路车辆车轴、汽车转向销、船舶用螺旋桨轴、烟草机械、土方机械、风力发电设备等各大领域。
SKF 624-Z轴承详细参数
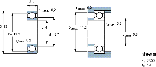
| 深沟球轴承, 单列, 单面防尘罩 | |||||||||||
| 主要数据尺寸 | 基本负荷额定值 | 疲劳负荷限值 | 额定速度 | 体积 | 型号 | ||||||
| 动态 | 静态 | 参照速度 | 限制速度 | ||||||||
| d | D | B | C | C0 | Pu | ||||||
| mm | kN | kN | r/min | kg | - | ||||||
| 4 | 13 | 5 | 0,936 | 0,29 | 0,012 | 110000 | 67000 | 0,0031 | 624-Z | ||
SKF 624-Z轴承尺寸图纸

