轴承专区
Bearings Center
624-2Z轴承-SKF 624-2Z轴承尺寸、图纸、价格
SKF 624-2Z轴承
| 产品名称: | 624-2Z轴承 | 品牌: | SKF |
|---|---|---|---|
| 类型: | SKF轴承 > 滚动轴承 > 深沟球轴承 | ||
| 描述: | 624-2Z轴承是【SKF轴承 > 滚动轴承 > 深沟球轴承】的型号,主要用在变速器、罗茨鼓风机、燃汽轮机、建筑机械、减速装置、石油钻机转环、立式电动机、制鞋、轻工机械、正面吊等各大领域 | ||
电话/微信:138-8949-5179
SKF 624-2Z轴承详细信息
624-2Z轴承是【SKF轴承 > 滚动轴承 > 深沟球轴承】的型号,主要用在变速器、罗茨鼓风机、燃汽轮机、建筑机械、减速装置、石油钻机转环、立式电动机、制鞋、轻工机械、正面吊等各大领域。
SKF 624-2Z轴承详细参数
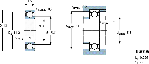
| 深沟球轴承, 单列, 两面防尘罩 | |||||||||||
| 主要数据尺寸 | 基本负荷额定值 | 疲劳负荷限值 | 额定速度 | 体积 | 型号 | ||||||
| 动态 | 静态 | 参照速度 | 限制速度 | ||||||||
| d | D | B | C | C0 | Pu | ||||||
| mm | kN | kN | r/min | kg | - | ||||||
| 4 | 13 | 5 | 0,936 | 0,29 | 0,012 | 110000 | 53000 | 0,0031 | 624-2Z | ||
SKF 624-2Z轴承尺寸图纸

