李工:138-8949-5179 刘工:135-0428-8802
型号查询
轴承型号   常见搜索: 71913轴承 6009轴承 22222轴承 6014轴承 6008轴承 6021轴承
型号查询 X

轴承专区

Bearings Center

6224/C3VL0241轴承-SKF 6224/C3VL0241轴承尺寸、图纸、价格

SKF 6224/C3VL0241轴承

产品名称:6224/C3VL0241轴承 品牌:SKF
类型:SKF轴承 > 滚动轴承 > 工程产品
描述:6224/C3VL0241轴承是【SKF轴承 > 滚动轴承 > 工程产品】的型号,主要用在电气装置部件、空气压缩机、变速器、大型农业机械、铁路车辆车轴、耕耘机、船舶用螺旋桨轴、陶瓷机械、平地机、风力发电设备等各大领域

 电话/微信:138-8949-5179

SKF 6224/C3VL0241轴承详细信息

6224/C3VL0241轴承是【SKF轴承 > 滚动轴承 > 工程产品】的型号,主要用在电气装置部件、空气压缩机、变速器、大型农业机械、铁路车辆车轴、耕耘机、船舶用螺旋桨轴、陶瓷机械、平地机、风力发电设备等各大领域。

SKF 6224/C3VL0241轴承详细参数

深沟球轴承, 单列,INSOCOAT
主要数据尺寸基本负荷额定值疲劳负荷限值额定速度体积型号
动态静态参照速度限制速度
dDBCC0Pu
mmkNkNr/minkg-
120215401461183,9630040005,206224/C3VL0241

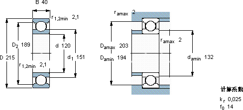
SKF 6224/C3VL0241轴承尺寸图纸

李工:138-8949-5179

刘工:135-0428-8802

地址:辽宁省大连经济技术开发区现代城3栋-13-13号

在线客服系统