轴承专区
Bearings Center
6208-2RZTN9/HC5C3WT轴承-SKF 6208-2RZTN9/HC5C3WT轴承尺寸、图纸、价格
SKF 6208-2RZTN9/HC5C3WT轴承
| 产品名称: | 6208-2RZTN9/HC5C3WT轴承 | 品牌: | SKF |
|---|---|---|---|
| 类型: | SKF轴承 > 滚动轴承 > 工程产品 | ||
| 描述: | 6208-2RZTN9/HC5C3WT轴承是【SKF轴承 > 滚动轴承 > 工程产品】的型号,主要用在飞机喷气式发动机、机床主轴、纺织机械传动轴、汽车、造纸机械、耕耘机、燃机、塑料、平地机、坦克等各大领域 | ||
电话/微信:138-8949-5179
SKF 6208-2RZTN9/HC5C3WT轴承详细信息
6208-2RZTN9/HC5C3WT轴承是【SKF轴承 > 滚动轴承 > 工程产品】的型号,主要用在飞机喷气式发动机、机床主轴、纺织机械传动轴、汽车、造纸机械、耕耘机、燃机、塑料、平地机、坦克等各大领域。
SKF 6208-2RZTN9/HC5C3WT轴承详细参数
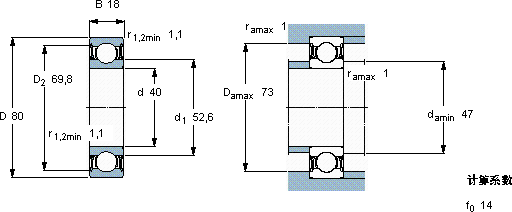
| 深沟球轴承, 单列陶瓷混合轴承, 低摩擦两面密封件 | ||||||||||
| 主要数据尺寸 | 基本负荷额定值 | 疲劳负荷限值 | 额定速度 | 体积 | 型号 | |||||
| 动态 | 静态 | 参照速度 | 限制速度 | |||||||
| d | D | B | C | C0 | Pu | |||||
| mm | kN | kN | r/min | kg | - | |||||
| 40 | 80 | 18 | 32,5 | 19 | 0,8 | 24000 | 16000 | 0,34 | 6208-2RZTN9/HC5C3WT | |
SKF 6208-2RZTN9/HC5C3WT轴承尺寸图纸

