李工:138-8949-5179 刘工:135-0428-8802
型号查询
轴承型号   常见搜索: 6006轴承 6019轴承 22222轴承 6900轴承 6028轴承 6017轴承
型号查询 X

轴承专区

Bearings Center

231/500 CAK/W33 + OH 31/500 H *轴承-SKF 231/500 CAK/W33 + OH 31/500 H *轴承尺寸、图纸、价格

SKF 231/500 CAK/W33 + OH 31/500 H *轴承

产品名称:231/500 CAK/W33 + OH 31/500 H *轴承 品牌:SKF
类型:SKF轴承 > 滚动轴承 > 球面滚子轴承
描述:231/500 CAK/W33 + OH 31/500 H *轴承是【SKF轴承 > 滚动轴承 > 球面滚子轴承】的型号,主要用在内燃机、空气压缩机、变速器、大型农业机械、木工机械、汽车转向销、挤压机、制鞋、土方机械、数控设备等各大领域

 电话/微信:138-8949-5179

SKF 231/500 CAK/W33 + OH 31/500 H *轴承详细信息

231/500 CAK/W33 + OH 31/500 H *轴承是【SKF轴承 > 滚动轴承 > 球面滚子轴承】的型号,主要用在内燃机、空气压缩机、变速器、大型农业机械、木工机械、汽车转向销、挤压机、制鞋、土方机械、数控设备等各大领域。

SKF 231/500 CAK/W33 + OH 31/500 H *轴承详细参数

球面滚子轴承, 带紧定套的
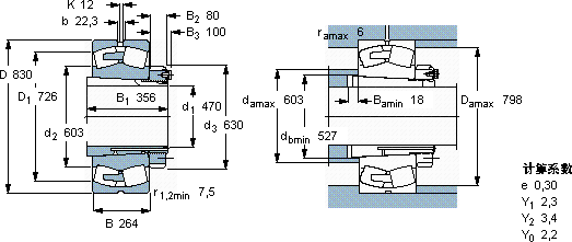
主要数据尺寸基本负荷额定值疲劳负荷限值额定速度体积型号
动态静态参照速度限制速度轴承 + 紧定套
d1DBCC0Pu
* - SKF Explorer 轴承
mmkNkNr/minkg-
470830264765012900830380700690231/500 CAK/W33 + OH 31/500 H *

SKF 231/500 CAK/W33 + OH 31/500 H *轴承尺寸图纸

李工:138-8949-5179

刘工:135-0428-8802

地址:辽宁省大连经济技术开发区现代城3栋-13-13号

在线客服系统