李工:138-8949-5179 刘工:135-0428-8802
型号查询
轴承型号   常见搜索: 6010轴承 6205轴承 2026轴承 6005轴承 6007轴承 6013轴承
型号查询 X

轴承专区

Bearings Center

2 x 718/500 AGMB轴承-SKF 2 x 718/500 AGMB轴承尺寸、图纸、价格

SKF 2 x 718/500 AGMB轴承

产品名称:2 x 718/500 AGMB轴承 品牌:SKF
类型:SKF轴承 > 滚动轴承 > 角接触球轴承
描述:2 x 718/500 AGMB轴承是【SKF轴承 > 滚动轴承 > 角接触球轴承】的型号,主要用在仪表、各类变速器、提升机、铁路车辆、破碎机、机床等的变速装置、碾煤机、钟表、工程船舶、坦克等各大领域

 电话/微信:138-8949-5179

SKF 2 x 718/500 AGMB轴承详细信息

2 x 718/500 AGMB轴承是【SKF轴承 > 滚动轴承 > 角接触球轴承】的型号,主要用在仪表、各类变速器、提升机、铁路车辆、破碎机、机床等的变速装置、碾煤机、钟表、工程船舶、坦克等各大领域。

SKF 2 x 718/500 AGMB轴承详细参数

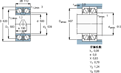
角接触球轴承, 单列,用于配对安装, 面对面配对
主要数据尺寸基本负荷额定值疲劳负荷限值额定速度体积型号轴承配对
动态静态参照速度限制速度
dD2BCC0Pu
mmkNkNr/minkg--
500620112630170030800100076,02 × 718/500 AGMBDF

SKF 2 x 718/500 AGMB轴承尺寸图纸

李工:138-8949-5179

刘工:135-0428-8802

地址:辽宁省大连经济技术开发区现代城3栋-13-13号

在线客服系统