轴承专区
Bearings Center
6200/HR11QN轴承-SKF 6200/HR11QN轴承尺寸、图纸、价格
SKF 6200/HR11QN轴承
| 产品名称: | 6200/HR11QN轴承 | 品牌: | SKF |
|---|---|---|---|
| 类型: | SKF轴承 > 滚动轴承 > 工程产品 | ||
| 描述: | 6200/HR11QN轴承是【SKF轴承 > 滚动轴承 > 工程产品】的型号,主要用在农业机械、燃料喷射泵、发电机、齿轮减速装置、木工机械、起重机吊钩、钢铁厂、烟草机械、强夯机、机场加油机等各大领域 | ||
电话/微信:138-8949-5179
SKF 6200/HR11QN轴承详细信息
6200/HR11QN轴承是【SKF轴承 > 滚动轴承 > 工程产品】的型号,主要用在农业机械、燃料喷射泵、发电机、齿轮减速装置、木工机械、起重机吊钩、钢铁厂、烟草机械、强夯机、机场加油机等各大领域。
SKF 6200/HR11QN轴承详细参数
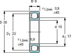
| 聚合物球轴承,单列球轴承, POM/POM/glass/PA66 | ||||||||
| 主要数据尺寸 | 负荷能力 | 额定速度 | 体积 | 型号 | ||||
| d | D | B | 动态1) | 静态2) | 最大3) | 最大 | - | |
| 1) above 50 °C and/or above 20 % | 3) Consider load carrying | |||||||
| of max speed rating consider | capability reduction according | |||||||
| 2) above 50 °C consider | ||||||||
| mm | kN | r/min | kg | - | ||||
| 10 | 30 | 9 | 0,16 | 0,11 | 1650 | 0,0089 | 6200/HR11QN | |
SKF 6200/HR11QN轴承尺寸图纸

