轴承专区
Bearings Center
61913轴承-SKF 61913轴承尺寸、图纸、价格
SKF 61913轴承
| 产品名称: | 61913轴承 | 品牌: | SKF |
|---|---|---|---|
| 类型: | SKF轴承 > 滚动轴承 > 深沟球轴承 | ||
| 描述: | 61913轴承是【SKF轴承 > 滚动轴承 > 深沟球轴承】的型号,主要用在内燃机、空气压缩机、提升机、大型农业机械、振动筛、耕耘机、挤压机、医药设备、平地机、数控设备等各大领域 | ||
电话/微信:138-8949-5179
SKF 61913轴承详细信息
61913轴承是【SKF轴承 > 滚动轴承 > 深沟球轴承】的型号,主要用在内燃机、空气压缩机、提升机、大型农业机械、振动筛、耕耘机、挤压机、医药设备、平地机、数控设备等各大领域。
SKF 61913轴承详细参数
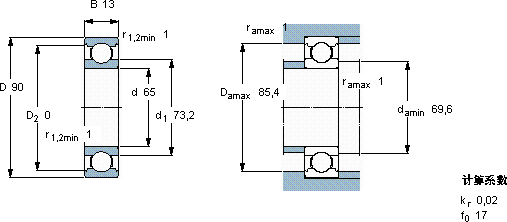
| 深沟球轴承, 单列, 无密封件 | |||||||||||
| 主要数据尺寸 | 基本负荷额定值 | 疲劳负荷限值 | 额定速度 | 体积 | 型号 | ||||||
| 动态 | 静态 | 参照速度 | 限制速度 | ||||||||
| d | D | B | C | C0 | Pu | ||||||
| mm | kN | kN | r/min | kg | - | ||||||
| 65 | 90 | 13 | 17,4 | 16 | 0,68 | 15000 | 9500 | 0,22 | 61913 | ||
SKF 61913轴承尺寸图纸

