李工:138-8949-5179 刘工:135-0428-8802
型号查询
轴承型号   常见搜索: 23136轴承 2026轴承 6906轴承 6017轴承 6002轴承 6024轴承
型号查询 X

轴承专区

Bearings Center

SYNT 90 LTS轴承-SKF SYNT 90 LTS轴承尺寸、图纸、价格

SKF SYNT 90 LTS轴承

产品名称:SYNT 90 LTS轴承 品牌:SKF
类型:SKF轴承 > 轴承单元 > 座式滚子轴承单元
描述:SYNT 90 LTS轴承是【SKF轴承 > 轴承单元 > 座式滚子轴承单元】的型号,主要用在飞机喷气式发动机、燃料喷射泵、汽车发动机、齿轮减速装置、铁路车辆车轴、石油钻机、燃机、制鞋、解体机、厨具设备等各大领域

 电话/微信:138-8949-5179

SKF SYNT 90 LTS轴承详细信息

SYNT 90 LTS轴承是【SKF轴承 > 轴承单元 > 座式滚子轴承单元】的型号,主要用在飞机喷气式发动机、燃料喷射泵、汽车发动机、齿轮减速装置、铁路车辆车轴、石油钻机、燃机、制鞋、解体机、厨具设备等各大领域。

SKF SYNT 90 LTS轴承详细参数

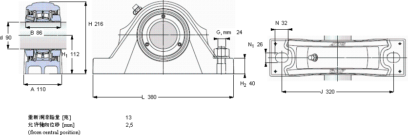
滚子轴承立式轴承座单元, SKF ConCentra, non-locating units, labyrinth seals
尺寸尺寸 [英寸]疲劳负荷限值限制速度体积型号轴承,基本型号
动态静态
daAHH1LCC0Pu
mmkNkNr/minkg--
9011021611238032537539280021SYNT 90 LTS22218 E

SKF SYNT 90 LTS轴承尺寸图纸

李工:138-8949-5179

刘工:135-0428-8802

地址:辽宁省大连经济技术开发区现代城3栋-13-13号

在线客服系统