李工:138-8949-5179 刘工:135-0428-8802
型号查询
轴承型号   常见搜索: 6022轴承 6007轴承 6032轴承 6004轴承 6020轴承 688a轴承
型号查询 X

轴承专区

Bearings Center

6301-RSL *轴承-SKF 6301-RSL *轴承尺寸、图纸、价格

SKF 6301-RSL *轴承

产品名称:6301-RSL *轴承 品牌:SKF
类型:SKF轴承 > 滚动轴承 > 深沟球轴承
描述:6301-RSL *轴承是【SKF轴承 > 滚动轴承 > 深沟球轴承】的型号,主要用在燃汽轮机、差速器小齿轮轴、纺织机械传动轴、小齿轮轴、印刷机械、机床等的变速装置、电机厂、电子、压路机、数控设备等各大领域

 电话/微信:138-8949-5179

SKF 6301-RSL *轴承详细信息

6301-RSL *轴承是【SKF轴承 > 滚动轴承 > 深沟球轴承】的型号,主要用在燃汽轮机、差速器小齿轮轴、纺织机械传动轴、小齿轮轴、印刷机械、机床等的变速装置、电机厂、电子、压路机、数控设备等各大领域。

SKF 6301-RSL *轴承详细参数

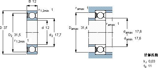
深沟球轴承, 单列, 低摩擦单面密封件
主要数据尺寸基本负荷额定值疲劳负荷限值额定速度体积型号
动态静态参照速度限制速度
dDBCC0Pu * - SKF Explorer 轴承
mmkNkNr/minkg-
12371210,14,150,17645000280000,0606301-RSL *

SKF 6301-RSL *轴承尺寸图纸

李工:138-8949-5179

刘工:135-0428-8802

地址:辽宁省大连经济技术开发区现代城3栋-13-13号

在线客服系统