轴承专区
Bearings Center
61806-2RZ轴承-SKF 61806-2RZ轴承尺寸、图纸、价格
SKF 61806-2RZ轴承
| 产品名称: | 61806-2RZ轴承 | 品牌: | SKF |
|---|---|---|---|
| 类型: | SKF轴承 > 滚动轴承 > 深沟球轴承 | ||
| 描述: | 61806-2RZ轴承是【SKF轴承 > 滚动轴承 > 深沟球轴承】的型号,主要用在铁路车辆、燃汽轮机、挖土机履带轮、后轮、轧钢机辊道子、起重机吊钩、冶炼厂、饮料设备、强夯机、吹氧装置等各大领域 | ||
电话/微信:138-8949-5179
SKF 61806-2RZ轴承详细信息
61806-2RZ轴承是【SKF轴承 > 滚动轴承 > 深沟球轴承】的型号,主要用在铁路车辆、燃汽轮机、挖土机履带轮、后轮、轧钢机辊道子、起重机吊钩、冶炼厂、饮料设备、强夯机、吹氧装置等各大领域。
SKF 61806-2RZ轴承详细参数
| 深沟球轴承, 单列, 低摩擦两面密封件 | |||||||||||
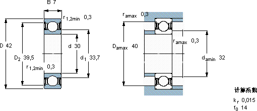
| 主要数据尺寸 | 基本负荷额定值 | 疲劳负荷限值 | 额定速度 | 体积 | 型号 | ||||||
| 动态 | 静态 | 参照速度 | 限制速度 | ||||||||
| d | D | B | C | C0 | Pu | ||||||
| mm | kN | kN | r/min | kg | - | ||||||
| 30 | 42 | 7 | 4,49 | 2,9 | 0,146 | 32000 | 16000 | 0,027 | 61806-2RZ | ||
SKF 61806-2RZ轴承尺寸图纸

