轴承专区
Bearings Center
614885轴承-SKF 614885轴承尺寸、图纸、价格
SKF 614885轴承
| 产品名称: | 614885轴承 | 品牌: | SKF |
|---|---|---|---|
| 类型: | SKF轴承 > 滚动轴承 > 深沟球轴承 | ||
| 描述: | 614885轴承是【SKF轴承 > 滚动轴承 > 深沟球轴承】的型号,主要用在内燃机、燃汽轮机、桥式起重机、后轮、轧钢机辊道子、起重机吊钩、挤压机、塑料、专用车、数控设备等各大领域 | ||
电话/微信:138-8949-5179
SKF 614885轴承详细信息
614885轴承是【SKF轴承 > 滚动轴承 > 深沟球轴承】的型号,主要用在内燃机、燃汽轮机、桥式起重机、后轮、轧钢机辊道子、起重机吊钩、挤压机、塑料、专用车、数控设备等各大领域。
SKF 614885轴承详细参数
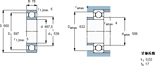
| 深沟球轴承, 单列, 无密封件 | |||||||||||
| 主要数据尺寸 | 基本负荷额定值 | 疲劳负荷限值 | 额定速度 | 体积 | 型号 | ||||||
| 动态 | 静态 | 参照速度 | 限制速度 | ||||||||
| d | D | B | C | C0 | Pu | ||||||
| mm | kN | kN | r/min | kg | - | ||||||
| 487,5 | 650 | 78 | 442 | 815 | 14,6 | 950 | 1500 | 65,0 | 614885 | ||
SKF 614885轴承尺寸图纸

