轴承专区
Bearings Center
609/530 MA轴承-SKF 609/530 MA轴承尺寸、图纸、价格
SKF 609/530 MA轴承
| 产品名称: | 609/530 MA轴承 | 品牌: | SKF |
|---|---|---|---|
| 类型: | SKF轴承 > 滚动轴承 > 深沟球轴承 | ||
| 描述: | 609/530 MA轴承是【SKF轴承 > 滚动轴承 > 深沟球轴承】的型号,主要用在后轮、燃料喷射泵、汽车发动机、齿轮减速装置、铁路车辆车轴、起重机吊钩、水力发电机、洗染、强夯机、泥炮等各大领域 | ||
电话/微信:138-8949-5179
SKF 609/530 MA轴承详细信息
609/530 MA轴承是【SKF轴承 > 滚动轴承 > 深沟球轴承】的型号,主要用在后轮、燃料喷射泵、汽车发动机、齿轮减速装置、铁路车辆车轴、起重机吊钩、水力发电机、洗染、强夯机、泥炮等各大领域。
SKF 609/530 MA轴承详细参数
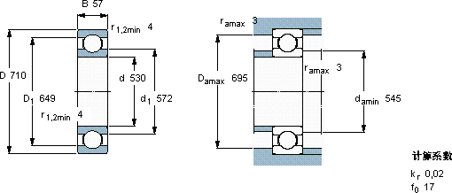
| 深沟球轴承, 单列, 无密封件 | |||||||||||
| 主要数据尺寸 | 基本负荷额定值 | 疲劳负荷限值 | 额定速度 | 体积 | 型号 | ||||||
| 动态 | 静态 | 参照速度 | 限制速度 | ||||||||
| d | D | B | C | C0 | Pu | ||||||
| mm | kN | kN | r/min | kg | - | ||||||
| 530 | 710 | 57 | 423 | 815 | 13,7 | 1600 | 1300 | 61,0 | 609/530 MA | ||
SKF 609/530 MA轴承尺寸图纸

