轴承专区
Bearings Center
6084 M轴承-SKF 6084 M轴承尺寸、图纸、价格
SKF 6084 M轴承
| 产品名称: | 6084 M轴承 | 品牌: | SKF |
|---|---|---|---|
| 类型: | SKF轴承 > 滚动轴承 > 深沟球轴承 | ||
| 描述: | 6084 M轴承是【SKF轴承 > 滚动轴承 > 深沟球轴承】的型号,主要用在仪表、印刷机械、挖土机履带轮、轧钢机辊颈、各类产业用减速机、石油钻机转环、碾煤机、薄膜拉伸、轻工机械、钢包回转台等各大领域 | ||
电话/微信:138-8949-5179
SKF 6084 M轴承详细信息
6084 M轴承是【SKF轴承 > 滚动轴承 > 深沟球轴承】的型号,主要用在仪表、印刷机械、挖土机履带轮、轧钢机辊颈、各类产业用减速机、石油钻机转环、碾煤机、薄膜拉伸、轻工机械、钢包回转台等各大领域。
SKF 6084 M轴承详细参数
| 深沟球轴承, 单列, 无密封件 | |||||||||||
| 主要数据尺寸 | 基本负荷额定值 | 疲劳负荷限值 | 额定速度 | 体积 | 型号 | ||||||
| 动态 | 静态 | 参照速度 | 限制速度 | ||||||||
| d | D | B | C | C0 | Pu | ||||||
| mm | kN | kN | r/min | kg | - | ||||||
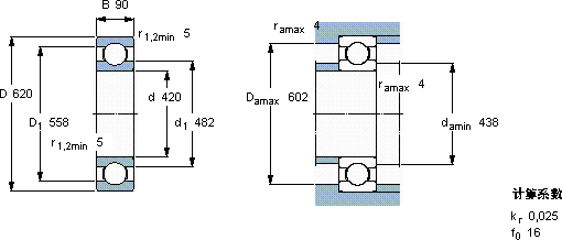
| 420 | 620 | 90 | 507 | 880 | 16,3 | 2000 | 1600 | 91,5 | 6084 M | ||
SKF 6084 M轴承尺寸图纸

