轴承专区
Bearings Center
6052 M轴承-SKF 6052 M轴承尺寸、图纸、价格
SKF 6052 M轴承
| 产品名称: | 6052 M轴承 | 品牌: | SKF |
|---|---|---|---|
| 类型: | SKF轴承 > 滚动轴承 > 深沟球轴承 | ||
| 描述: | 6052 M轴承是【SKF轴承 > 滚动轴承 > 深沟球轴承】的型号,主要用在燃汽轮机、印刷机械、木工机械、轧钢机辊颈、减速装置、石油钻机转环、电机厂、电子、轻工机械、数控设备等各大领域 | ||
电话/微信:138-8949-5179
SKF 6052 M轴承详细信息
6052 M轴承是【SKF轴承 > 滚动轴承 > 深沟球轴承】的型号,主要用在燃汽轮机、印刷机械、木工机械、轧钢机辊颈、减速装置、石油钻机转环、电机厂、电子、轻工机械、数控设备等各大领域。
SKF 6052 M轴承详细参数
| 深沟球轴承, 单列, 无密封件 | |||||||||||
| 主要数据尺寸 | 基本负荷额定值 | 疲劳负荷限值 | 额定速度 | 体积 | 型号 | ||||||
| 动态 | 静态 | 参照速度 | 限制速度 | ||||||||
| d | D | B | C | C0 | Pu | ||||||
| mm | kN | kN | r/min | kg | - | ||||||
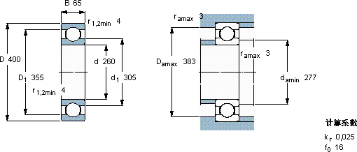
| 260 | 400 | 65 | 291 | 375 | 8,8 | 3200 | 2800 | 29,5 | 6052 M | ||
SKF 6052 M轴承尺寸图纸

