轴承专区
Bearings Center
SKF 604轴承
| 产品名称: | 604轴承 | 品牌: | SKF |
|---|---|---|---|
| 类型: | SKF轴承 > 滚动轴承 > 深沟球轴承 | ||
| 描述: | 604轴承是【SKF轴承 > 滚动轴承 > 深沟球轴承】的型号,主要用在各种产业机械、离心分离机、木工机械、变速器、印刷机械、制铁制钢机械、发电厂、电子、起重机械、塔式车库等各大领域 | ||
电话/微信:138-8949-5179
SKF 604轴承详细信息
604轴承是【SKF轴承 > 滚动轴承 > 深沟球轴承】的型号,主要用在各种产业机械、离心分离机、木工机械、变速器、印刷机械、制铁制钢机械、发电厂、电子、起重机械、塔式车库等各大领域。
SKF 604轴承详细参数
| 深沟球轴承, 单列, 无密封件 | |||||||||||
| 主要数据尺寸 | 基本负荷额定值 | 疲劳负荷限值 | 额定速度 | 体积 | 型号 | ||||||
| 动态 | 静态 | 参照速度 | 限制速度 | ||||||||
| d | D | B | C | C0 | Pu | ||||||
| mm | kN | kN | r/min | kg | - | ||||||
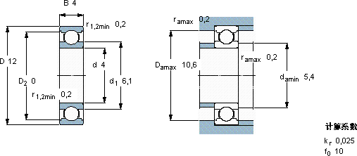
| 4 | 12 | 4 | 0,806 | 0,28 | 0,012 | 120000 | 75000 | 0,0021 | 604 | ||
SKF 604轴承尺寸图纸

