李工:138-8949-5179 刘工:135-0428-8802
型号查询
轴承型号   常见搜索: 6032轴承 6205轴承 688a轴承 6030轴承 6022轴承 2026轴承
型号查询 X

轴承专区

Bearings Center

306474 D轴承-SKF 306474 D轴承尺寸、图纸、价格

SKF 306474 D轴承

产品名称:306474 D轴承 品牌:SKF
类型:SKF轴承 > 滚动轴承 > 深沟球轴承
描述:306474 D轴承是【SKF轴承 > 滚动轴承 > 深沟球轴承】的型号,主要用在内燃机、空气压缩机、纺织机械传动轴、大型农业机械、振动筛、汽车转向销、挤压机、洗染、掘进机、数控设备等各大领域

 电话/微信:138-8949-5179

SKF 306474 D轴承详细信息

306474 D轴承是【SKF轴承 > 滚动轴承 > 深沟球轴承】的型号,主要用在内燃机、空气压缩机、纺织机械传动轴、大型农业机械、振动筛、汽车转向销、挤压机、洗染、掘进机、数控设备等各大领域。

SKF 306474 D轴承详细参数

深沟球轴承, 单列, 无密封件
主要数据尺寸基本负荷额定值疲劳负荷限值额定速度体积型号
动态静态参照速度限制速度
dDBCC0Pu
mmkNkNr/minkg-
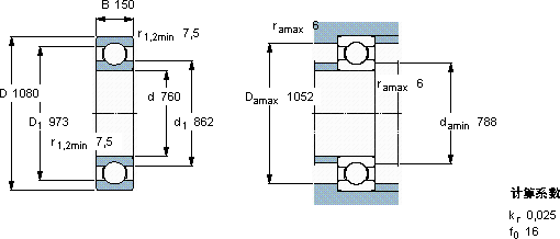
7601080150923220031950800430306474 D

SKF 306474 D轴承尺寸图纸

李工:138-8949-5179

刘工:135-0428-8802

地址:辽宁省大连经济技术开发区现代城3栋-13-13号

在线客服系统