轴承专区
Bearings Center
6020 *轴承-SKF 6020 *轴承尺寸、图纸、价格
SKF 6020 *轴承
| 产品名称: | 6020 *轴承 | 品牌: | SKF |
|---|---|---|---|
| 类型: | SKF轴承 > 滚动轴承 > 深沟球轴承 | ||
| 描述: | 6020 *轴承是【SKF轴承 > 滚动轴承 > 深沟球轴承】的型号,主要用在建筑机械、各类变速器、提升机、铁路车辆、破碎机、机床等的变速装置、成形机、饮料设备、工程船舶、港口起重机等各大领域 | ||
电话/微信:138-8949-5179
SKF 6020 *轴承详细信息
6020 *轴承是【SKF轴承 > 滚动轴承 > 深沟球轴承】的型号,主要用在建筑机械、各类变速器、提升机、铁路车辆、破碎机、机床等的变速装置、成形机、饮料设备、工程船舶、港口起重机等各大领域。
SKF 6020 *轴承详细参数
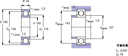
| 深沟球轴承, 单列, 无密封件 | |||||||||||
| 主要数据尺寸 | 基本负荷额定值 | 疲劳负荷限值 | 额定速度 | 体积 | 型号 | ||||||
| 动态 | 静态 | 参照速度 | 限制速度 | ||||||||
| d | D | B | C | C0 | Pu | * - SKF Explorer 轴承 | |||||
| mm | kN | kN | r/min | kg | - | ||||||
| 100 | 150 | 24 | 63,7 | 54 | 2,04 | 9500 | 5600 | 1,25 | 6020 * | ||
SKF 6020 *轴承尺寸图纸

