轴承专区
Bearings Center
YAT 216-300轴承-SKF YAT 216-300轴承尺寸、图纸、价格
SKF YAT 216-300轴承
| 产品名称: | YAT 216-300轴承 | 品牌: | SKF |
|---|---|---|---|
| 类型: | SKF轴承 > 滚动轴承 > Y-轴承 | ||
| 描述: | YAT 216-300轴承是【SKF轴承 > 滚动轴承 > Y-轴承】的型号,主要用在家用电器、机床主轴、发电机、汽车、造纸机械、耕耘机、塔吊、玩具、地基处理机械、塔式车库等各大领域 | ||
电话/微信:138-8949-5179
SKF YAT 216-300轴承详细信息
YAT 216-300轴承是【SKF轴承 > 滚动轴承 > Y-轴承】的型号,主要用在家用电器、机床主轴、发电机、汽车、造纸机械、耕耘机、塔吊、玩具、地基处理机械、塔式车库等各大领域。
SKF YAT 216-300轴承详细参数
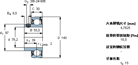
| Y-轴承, 带平头螺钉锁定的, YAT 2 | ||||||||||
| 主要数据尺寸 | 基本负荷额定值 | 疲劳负荷限值 | 限制速度 | 体积 | 型号 | |||||
| 动态 | 静态 | |||||||||
| d | D | B | C | C | C0 | Pu | 用于轴公差h6 | |||
| mm | kN | kN | r/min | kg | - | |||||
| 76,2 | 140 | 55,5 | 30 | 72,8 | 53 | 2,16 | 2400 | 2,35 | YAT 216-300 | |
SKF YAT 216-300轴承尺寸图纸

