李工:138-8949-5179 刘工:135-0428-8802
型号查询
轴承型号   常见搜索: 6020轴承 7014轴承 617轴承 6012轴承 23136轴承 3214轴承
型号查询 X

轴承专区

Bearings Center

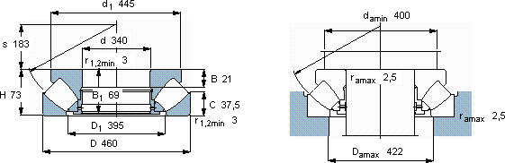
29268轴承-SKF 29268轴承尺寸、图纸、价格

SKF 29268轴承

产品名称:29268轴承 品牌:SKF
类型:SKF轴承 > 滚动轴承 > 球面滚子推力轴承
描述:29268轴承是【SKF轴承 > 滚动轴承 > 球面滚子推力轴承】的型号,主要用在通用电动机、印刷机械、减速装置、轧钢机辊颈、印刷机械、石油钻机转环、轧钢机轧制螺杆用减速机、化纤机械、轻工机械、刮泥机等各大领域

 电话/微信:138-8949-5179

SKF 29268轴承详细信息

29268轴承是【SKF轴承 > 滚动轴承 > 球面滚子推力轴承】的型号,主要用在通用电动机、印刷机械、减速装置、轧钢机辊颈、印刷机械、石油钻机转环、轧钢机轧制螺杆用减速机、化纤机械、轻工机械、刮泥机等各大领域。

SKF 29268轴承详细参数

球面滚子推力轴承, 球面滚子推力轴承
主要数据尺寸尺寸 [英寸]疲劳负荷限值最小负荷系数额定速度体积型号
动态静态参照速度限制速度
dDHCC0Pu
mmkNkN-r/minkg-
34046073113054004802,8850130033,529268

SKF 29268轴承尺寸图纸

李工:138-8949-5179

刘工:135-0428-8802

地址:辽宁省大连经济技术开发区现代城3栋-13-13号

在线客服系统