轴承专区
Bearings Center
60/600 MA轴承-SKF 60/600 MA轴承尺寸、图纸、价格
SKF 60/600 MA轴承
| 产品名称: | 60/600 MA轴承 | 品牌: | SKF |
|---|---|---|---|
| 类型: | SKF轴承 > 滚动轴承 > 深沟球轴承 | ||
| 描述: | 60/600 MA轴承是【SKF轴承 > 滚动轴承 > 深沟球轴承】的型号,主要用在飞机喷气式发动机、燃料喷射泵、减速装置、齿轮减速装置、轧钢机辊道子、石油钻机、燃机、玩具、解体机、厨具设备等各大领域 | ||
电话/微信:138-8949-5179
SKF 60/600 MA轴承详细信息
60/600 MA轴承是【SKF轴承 > 滚动轴承 > 深沟球轴承】的型号,主要用在飞机喷气式发动机、燃料喷射泵、减速装置、齿轮减速装置、轧钢机辊道子、石油钻机、燃机、玩具、解体机、厨具设备等各大领域。
SKF 60/600 MA轴承详细参数
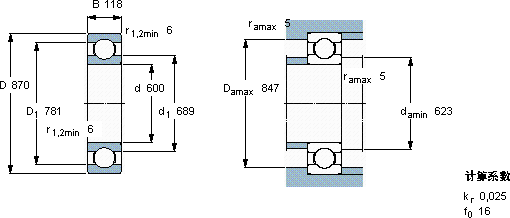
| 深沟球轴承, 单列, 无密封件 | |||||||||||
| 主要数据尺寸 | 基本负荷额定值 | 疲劳负荷限值 | 额定速度 | 体积 | 型号 | ||||||
| 动态 | 静态 | 参照速度 | 限制速度 | ||||||||
| d | D | B | C | C0 | Pu | ||||||
| mm | kN | kN | r/min | kg | - | ||||||
| 600 | 870 | 118 | 728 | 1500 | 23,6 | 1300 | 1100 | 230 | 60/600 MA | ||
SKF 60/600 MA轴承尺寸图纸

