轴承专区
Bearings Center
SIJ 30 ES轴承-SKF SIJ 30 ES轴承尺寸、图纸、价格
SKF SIJ 30 ES轴承
| 产品名称: | SIJ 30 ES轴承 | 品牌: | SKF |
|---|---|---|---|
| 类型: | SKF轴承 > 球面滑动轴承和杆端关节轴承 > 需维护的杆端关节轴承 | ||
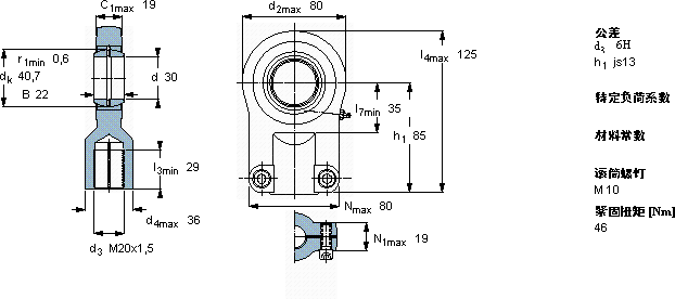
| 描述: | SIJ 30 ES轴承是【SKF轴承 > 球面滑动轴承和杆端关节轴承 > 需维护的杆端关节轴承】的型号,主要用在内燃机、小型汽车前轮、提升机、差速器、轧钢机辊道子、耕耘机、挤压机、电子、地基处理机械、码垛机器人等各大领域 | ||
电话/微信:138-8949-5179
SKF SIJ 30 ES轴承详细信息
SIJ 30 ES轴承是【SKF轴承 > 球面滑动轴承和杆端关节轴承 > 需维护的杆端关节轴承】的型号,主要用在内燃机、小型汽车前轮、提升机、差速器、轧钢机辊道子、耕耘机、挤压机、电子、地基处理机械、码垛机器人等各大领域。
SKF SIJ 30 ES轴承详细参数
| 需要维护的杆端, 钢对钢,阴螺纹,用于液压滚筒 | |||||||||||
| 主要数据尺寸 | 角度倾的 | 基本负荷额定值 | 质量 | 型号 | |||||||
| 动态 | 静态 | 杆端带右旋螺纹 | |||||||||
| d | d2 | B | d3 | C1 | h1 | ± | C | C0 | |||
| 6H | |||||||||||
| mm | 度数 | kN | kg | - | |||||||
| 30 | 80 | 22 | M20x1,5 | 19 | 85 | 3 | 62 | 108 | 1,35 | SIJ 30 ES | |
SKF SIJ 30 ES轴承尺寸图纸

