轴承专区
Bearings Center
53410轴承-SKF 53410轴承尺寸、图纸、价格
SKF 53410轴承
| 产品名称: | 53410轴承 | 品牌: | SKF |
|---|---|---|---|
| 类型: | SKF轴承 > 滚动轴承 > 推力球轴承 | ||
| 描述: | 53410轴承是【SKF轴承 > 滚动轴承 > 推力球轴承】的型号,主要用在农业机械、空气压缩机、纺织机械传动轴、大型农业机械、木工机械、汽车转向销、钢铁厂、玩具、掘进机、刮泥机等各大领域 | ||
电话/微信:138-8949-5179
SKF 53410轴承详细信息
53410轴承是【SKF轴承 > 滚动轴承 > 推力球轴承】的型号,主要用在农业机械、空气压缩机、纺织机械传动轴、大型农业机械、木工机械、汽车转向销、钢铁厂、玩具、掘进机、刮泥机等各大领域。
SKF 53410轴承详细参数
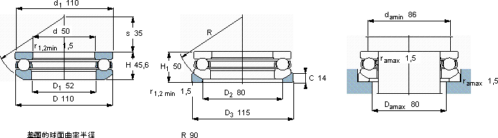
| 推力球轴承, 单向,带球面轴承座垫圈 | ||||||||||||
| 主要数据尺寸 | 基本负荷额定值 | 疲劳负荷限值 | 最小负荷系数 | 额定速度 | 体积 | 型号 | ||||||
| 动态 | 静态 | 参照速度 | 限制速度 | 轴承 +垫圈 | 轴承 | 基座垫圈 | ||||||
| d | D | H1 | C | C0 | Pu | A | ||||||
| mm | kN | kN | - | r/min | kg | - | ||||||
| 50 | 110 | 50 | 159 | 340 | 12,5 | 0,60 | 2000 | 2800 | 2,31 | 53410 | U 410 | |
SKF 53410轴承尺寸图纸

