轴承专区
Bearings Center
294/710 EF轴承-SKF 294/710 EF轴承尺寸、图纸、价格
SKF 294/710 EF轴承
| 产品名称: | 294/710 EF轴承 | 品牌: | SKF |
|---|---|---|---|
| 类型: | SKF轴承 > 滚动轴承 > 球面滚子推力轴承 | ||
| 描述: | 294/710 EF轴承是【SKF轴承 > 滚动轴承 > 球面滚子推力轴承】的型号,主要用在变速器、离心分离机、汽车发动机、变速器、印刷机械、石油钻机转环、立式电动机、纺织、凿岩机械、机械手等各大领域 | ||
电话/微信:138-8949-5179
SKF 294/710 EF轴承详细信息
294/710 EF轴承是【SKF轴承 > 滚动轴承 > 球面滚子推力轴承】的型号,主要用在变速器、离心分离机、汽车发动机、变速器、印刷机械、石油钻机转环、立式电动机、纺织、凿岩机械、机械手等各大领域。
SKF 294/710 EF轴承详细参数
| 球面滚子推力轴承, 球面滚子推力轴承 | |||||||||||
| 主要数据尺寸 | 尺寸 [英寸] | 疲劳负荷限值 | 最小负荷系数 | 额定速度 | 体积 | 型号 | |||||
| 动态 | 静态 | 参照速度 | 限制速度 | ||||||||
| d | D | H | C | C0 | Pu | ||||||
| mm | kN | kN | - | r/min | kg | - | |||||
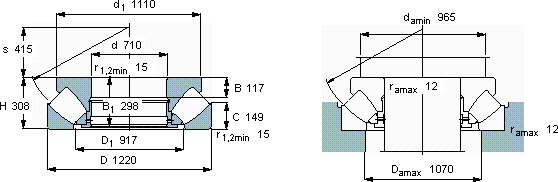
| 710 | 1220 | 308 | 17600 | 76500 | 5000 | 560 | 220 | 430 | 1500 | 294/710 EF | |
SKF 294/710 EF轴承尺寸图纸

