轴承专区
Bearings Center
53214轴承-SKF 53214轴承尺寸、图纸、价格
SKF 53214轴承
| 产品名称: | 53214轴承 | 品牌: | SKF |
|---|---|---|---|
| 类型: | SKF轴承 > 滚动轴承 > 推力球轴承 | ||
| 描述: | 53214轴承是【SKF轴承 > 滚动轴承 > 推力球轴承】的型号,主要用在仪表、差速器小齿轮轴、提升机、小齿轮轴、印刷机械、机床主轴、碾煤机、饮料设备、挖掘机、钢包回转台等各大领域 | ||
电话/微信:138-8949-5179
SKF 53214轴承详细信息
53214轴承是【SKF轴承 > 滚动轴承 > 推力球轴承】的型号,主要用在仪表、差速器小齿轮轴、提升机、小齿轮轴、印刷机械、机床主轴、碾煤机、饮料设备、挖掘机、钢包回转台等各大领域。
SKF 53214轴承详细参数
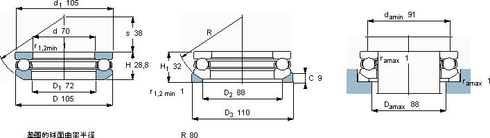
| 推力球轴承, 单向,带球面轴承座垫圈 | ||||||||||||
| 主要数据尺寸 | 基本负荷额定值 | 疲劳负荷限值 | 最小负荷系数 | 额定速度 | 体积 | 型号 | ||||||
| 动态 | 静态 | 参照速度 | 限制速度 | 轴承 +垫圈 | 轴承 | 基座垫圈 | ||||||
| d | D | H1 | C | C0 | Pu | A | ||||||
| mm | kN | kN | - | r/min | kg | - | ||||||
| 70 | 105 | 32 | 65 | 173 | 6,4 | 0,16 | 2600 | 3600 | 0,97 | 53214 | U 214 | |
SKF 53214轴承尺寸图纸

