李工:138-8949-5179 刘工:135-0428-8802
型号查询
轴承型号   常见搜索: 6018轴承 6019轴承 6020轴承 6030轴承 2025轴承 23136轴承
型号查询 X

轴承专区

Bearings Center

353152轴承-SKF 353152轴承尺寸、图纸、价格

SKF 353152轴承

产品名称:353152轴承 品牌:SKF
类型:SKF轴承 > 滚动轴承 > 圆锥滚子推力轴承
描述:353152轴承是【SKF轴承 > 滚动轴承 > 圆锥滚子推力轴承】的型号,主要用在各种产业机械、离心分离机、减速装置、变速器、轧钢机齿轮箱座、石油钻机转环、发电厂、精细化工机械、凿岩机械、塔式车库等各大领域

 电话/微信:138-8949-5179

SKF 353152轴承详细信息

353152轴承是【SKF轴承 > 滚动轴承 > 圆锥滚子推力轴承】的型号,主要用在各种产业机械、离心分离机、减速装置、变速器、轧钢机齿轮箱座、石油钻机转环、发电厂、精细化工机械、凿岩机械、塔式车库等各大领域。

SKF 353152轴承详细参数

圆锥滚子推力轴承, 双向
主要数据尺寸基本负荷额定值疲劳负荷限值最小负荷系数型号
动态静态
dDHCC0Pu
mmkNkNkg-
440645167198010800695190353152

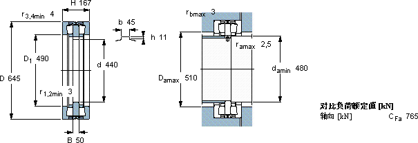
SKF 353152轴承尺寸图纸

李工:138-8949-5179

刘工:135-0428-8802

地址:辽宁省大连经济技术开发区现代城3栋-13-13号

在线客服系统