李工:138-8949-5179 刘工:135-0428-8802
型号查询
轴承型号   常见搜索: 6021轴承 6906轴承 6900轴承 6015轴承 6026轴承 6001轴承
型号查询 X

轴承专区

Bearings Center

53208轴承-SKF 53208轴承尺寸、图纸、价格

SKF 53208轴承

产品名称:53208轴承 品牌:SKF
类型:SKF轴承 > 滚动轴承 > 推力球轴承
描述:53208轴承是【SKF轴承 > 滚动轴承 > 推力球轴承】的型号,主要用在通用电动机、高频马达、变速器、前轮、减速装置、机床主轴、轧钢机轧制螺杆用减速机、医药设备、挖掘机、机场加油机等各大领域

 电话/微信:138-8949-5179

SKF 53208轴承详细信息

53208轴承是【SKF轴承 > 滚动轴承 > 推力球轴承】的型号,主要用在通用电动机、高频马达、变速器、前轮、减速装置、机床主轴、轧钢机轧制螺杆用减速机、医药设备、挖掘机、机场加油机等各大领域。

SKF 53208轴承详细参数

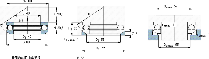
推力球轴承, 单向,带球面轴承座垫圈
主要数据尺寸基本负荷额定值疲劳负荷限值最小负荷系数额定速度体积 型号
动态静态参照速度限制速度轴承 +垫圈轴承基座垫圈
dDH1CC0PuA
mmkNkN-r/minkg-
40682346,810640,058380053000,3553208U 208

SKF 53208轴承尺寸图纸

李工:138-8949-5179

刘工:135-0428-8802

地址:辽宁省大连经济技术开发区现代城3栋-13-13号

在线客服系统