轴承专区
Bearings Center
53203轴承-SKF 53203轴承尺寸、图纸、价格
SKF 53203轴承
| 产品名称: | 53203轴承 | 品牌: | SKF |
|---|---|---|---|
| 类型: | SKF轴承 > 滚动轴承 > 推力球轴承 | ||
| 描述: | 53203轴承是【SKF轴承 > 滚动轴承 > 推力球轴承】的型号,主要用在农业机械、油泵、木工机械、机床主轴、轧钢机辊道子、石油钻机、钢铁厂、音像设备、给料机械、太阳能发电设备等各大领域 | ||
电话/微信:138-8949-5179
SKF 53203轴承详细信息
53203轴承是【SKF轴承 > 滚动轴承 > 推力球轴承】的型号,主要用在农业机械、油泵、木工机械、机床主轴、轧钢机辊道子、石油钻机、钢铁厂、音像设备、给料机械、太阳能发电设备等各大领域。
SKF 53203轴承详细参数
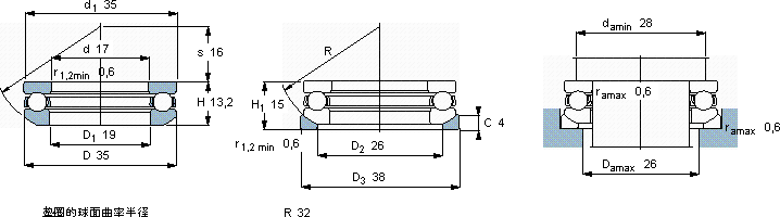
| 推力球轴承, 单向,带球面轴承座垫圈 | ||||||||||||
| 主要数据尺寸 | 基本负荷额定值 | 疲劳负荷限值 | 最小负荷系数 | 额定速度 | 体积 | 型号 | ||||||
| 动态 | 静态 | 参照速度 | 限制速度 | 轴承 +垫圈 | 轴承 | 基座垫圈 | ||||||
| d | D | H1 | C | C0 | Pu | A | ||||||
| mm | kN | kN | - | r/min | kg | - | ||||||
| 17 | 35 | 15 | 17,2 | 30 | 1,1 | 0,0047 | 6700 | 9500 | 0,071 | 53203 | U 203 | |
SKF 53203轴承尺寸图纸

