轴承专区
Bearings Center
217 NR轴承-SKF 217 NR轴承尺寸、图纸、价格
SKF 217 NR轴承
| 产品名称: | 217 NR轴承 | 品牌: | SKF |
|---|---|---|---|
| 类型: | SKF轴承 > 滚动轴承 > 深沟球轴承 | ||
| 描述: | 217 NR轴承是【SKF轴承 > 滚动轴承 > 深沟球轴承】的型号,主要用在内燃机、空气压缩机、减速装置、大型农业机械、振动筛、耕耘机、挤压机、玩具、地基处理机械、数控设备等各大领域 | ||
电话/微信:138-8949-5179
SKF 217 NR轴承详细信息
217 NR轴承是【SKF轴承 > 滚动轴承 > 深沟球轴承】的型号,主要用在内燃机、空气压缩机、减速装置、大型农业机械、振动筛、耕耘机、挤压机、玩具、地基处理机械、数控设备等各大领域。
SKF 217 NR轴承详细参数
| 深沟球轴承, 单列,带装球缺口和止动环槽, 无密封件 | |||||||||||
| 主要数据尺寸 | 基本负荷额定值 | 疲劳负荷限值 | 额定速度 | 体积 | 型号 | ||||||
| 动态 | 静态 | 参照速度 | 限制速度 | 轴承,带止动环 | 止动环 | ||||||
| d | D | B | C | C0 | Pu | ||||||
| mm | kN | kN | r/min | kg | - | ||||||
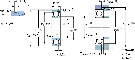
| 85 | 150 | 28 | 96,8 | 100 | 3,9 | 7500 | 4800 | 1,95 | 217 NR | SP 150 | |
SKF 217 NR轴承尺寸图纸

