轴承专区
Bearings Center
5210 E轴承-SKF 5210 E轴承尺寸、图纸、价格
SKF 5210 E轴承
| 产品名称: | 5210 E轴承 | 品牌: | SKF |
|---|---|---|---|
| 类型: | SKF轴承 > 滚动轴承 > 角接触球轴承 | ||
| 描述: | 5210 E轴承是【SKF轴承 > 滚动轴承 > 角接触球轴承】的型号,主要用在通用电动机、高频马达、提升机、前轮、轧钢机齿轮箱座、机床等的变速装置、轧钢机轧制螺杆用减速机、洗染、工程船舶、机场加油机等各大领域 | ||
电话/微信:138-8949-5179
SKF 5210 E轴承详细信息
5210 E轴承是【SKF轴承 > 滚动轴承 > 角接触球轴承】的型号,主要用在通用电动机、高频马达、提升机、前轮、轧钢机齿轮箱座、机床等的变速装置、轧钢机轧制螺杆用减速机、洗染、工程船舶、机场加油机等各大领域。
SKF 5210 E轴承详细参数
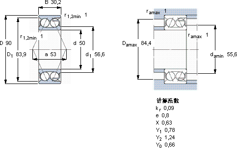
| 角接触球轴承, 双列, 无密封件 | ||||||||||
| 主要数据尺寸 | 基本负荷额定值 | 疲劳负荷限值 | 额定速度 | 体积 | 型号 | |||||
| 动态 | 静态 | 参照速度 | 限制速度 | |||||||
| d | D | B | C | C0 | Pu | |||||
| mm | kN | kN | r/min | kg | - | |||||
| 50 | 90 | 30,2 | 53,9 | 58,5 | 2,5 | 6300 | 6700 | 0,82 | 5210 E | |
SKF 5210 E轴承尺寸图纸

