李工:138-8949-5179 刘工:135-0428-8802
型号查询
轴承型号   常见搜索: 6003轴承 6004轴承 6304轴承 71913轴承 6005轴承 6020轴承
型号查询 X

轴承专区

Bearings Center

51200 V/HR22T2轴承-SKF 51200 V/HR22T2轴承尺寸、图纸、价格

SKF 51200 V/HR22T2轴承

产品名称:51200 V/HR22T2轴承 品牌:SKF
类型:SKF轴承 > 滚动轴承 > 工程产品
描述:51200 V/HR22T2轴承是【SKF轴承 > 滚动轴承 > 工程产品】的型号,主要用在通用电动机、差速器小齿轮轴、挖土机履带轮、小齿轮轴、轧钢机齿轮箱座、机床等的变速装置、轧钢机轧制螺杆用减速机、陶瓷机械、压路机、刮泥机等各大领域

 电话/微信:138-8949-5179

SKF 51200 V/HR22T2轴承详细信息

51200 V/HR22T2轴承是【SKF轴承 > 滚动轴承 > 工程产品】的型号,主要用在通用电动机、差速器小齿轮轴、挖土机履带轮、小齿轮轴、轧钢机齿轮箱座、机床等的变速装置、轧钢机轧制螺杆用减速机、陶瓷机械、压路机、刮泥机等各大领域。

SKF 51200 V/HR22T2轴承详细参数

聚合物球轴承,推力球轴承, PP/PP/stainless steel/PP
主要数据尺寸负荷能力额定速度体积型号
dDB动态1)静态2)最大3)最大-
1) above 50 °C and/or above 20 %3) Consider load carrying
of max speed rating considercapability reduction according
2) above 50 °C consider
mmkNr/minkg-
1026110,230,1855500,006051200 V/HR22T2

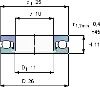
SKF 51200 V/HR22T2轴承尺寸图纸

李工:138-8949-5179

刘工:135-0428-8802

地址:辽宁省大连经济技术开发区现代城3栋-13-13号

在线客服系统